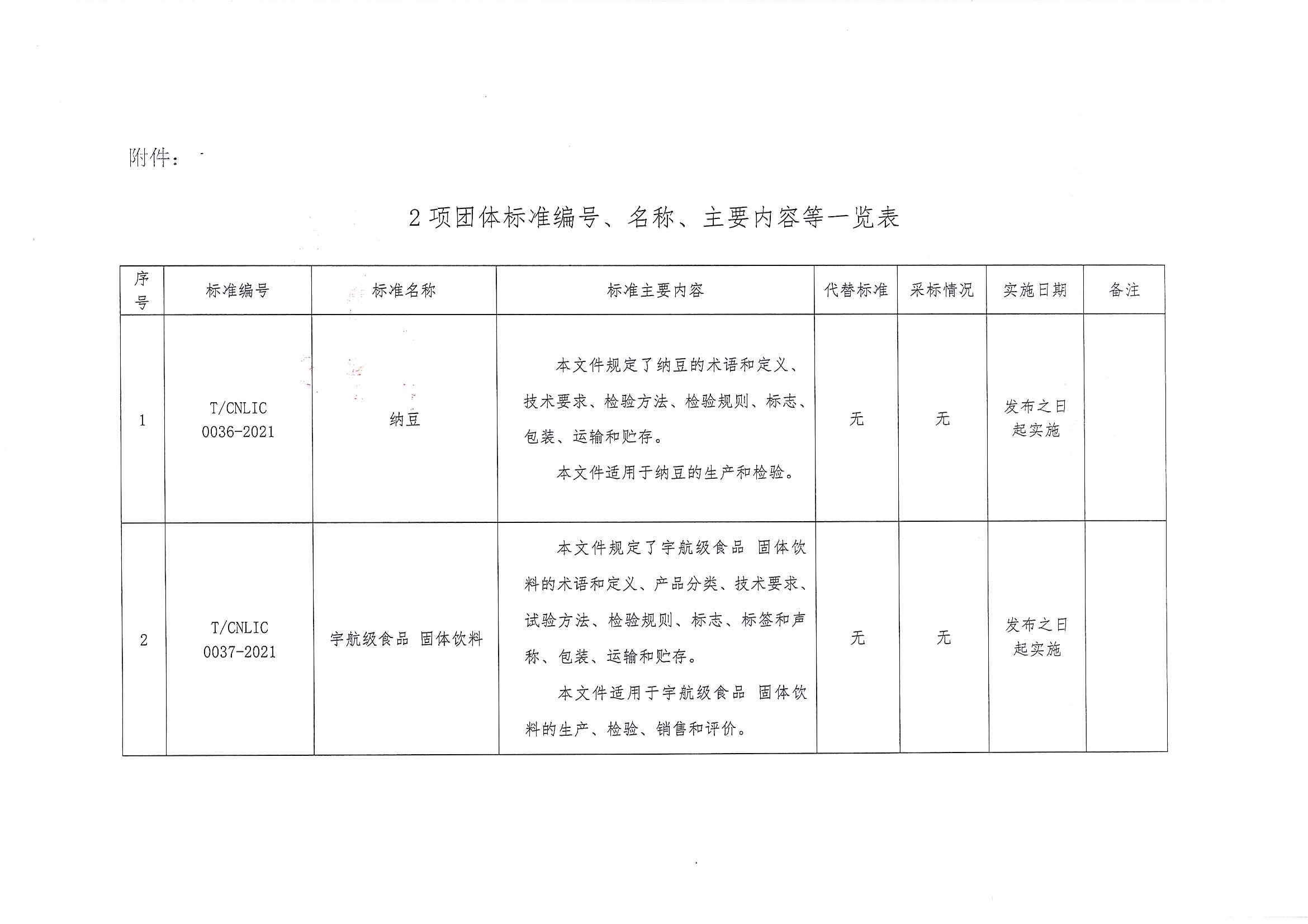
关于批准发布《纳豆》等2项团体标准的公告

2021-11-01 来源:

 

 

附件下载:
1、

                                                                                 1946bv1946伟德手机版                                                                                                                                                                                                                                                                                                                                                                                                                                                                                                                                                                                                                                                                                                                                                                                                                                                                                                                                                                                                                                                                                                                                                                                                                                                                                                                            

Baidu
BETVLCTOR伟德中文网站