中轻网首页
English
收藏本站
邮件系统
|
行业综合服务平台
|
资产财务管理网
首页
|
简介
|
章程
|
主要领导
|
BETVLCTOR
|
BETVlCTOR网页版
|
BETVlCTOR手机登录
|
BETVLCTOR登录入口
|
伟德体育在线的微博
|
景气指数
|
联系方式
您已登录成功!
用户名:
内部办公系统
会员管理系统
人事管理系统
档案管理系统
合同管理系统
党群管理系统
会议会展管理
新闻出版年检
电子邮件系统
信息发布系统
轻工业联合会
>
BETVLCTOR
>
质量标准部
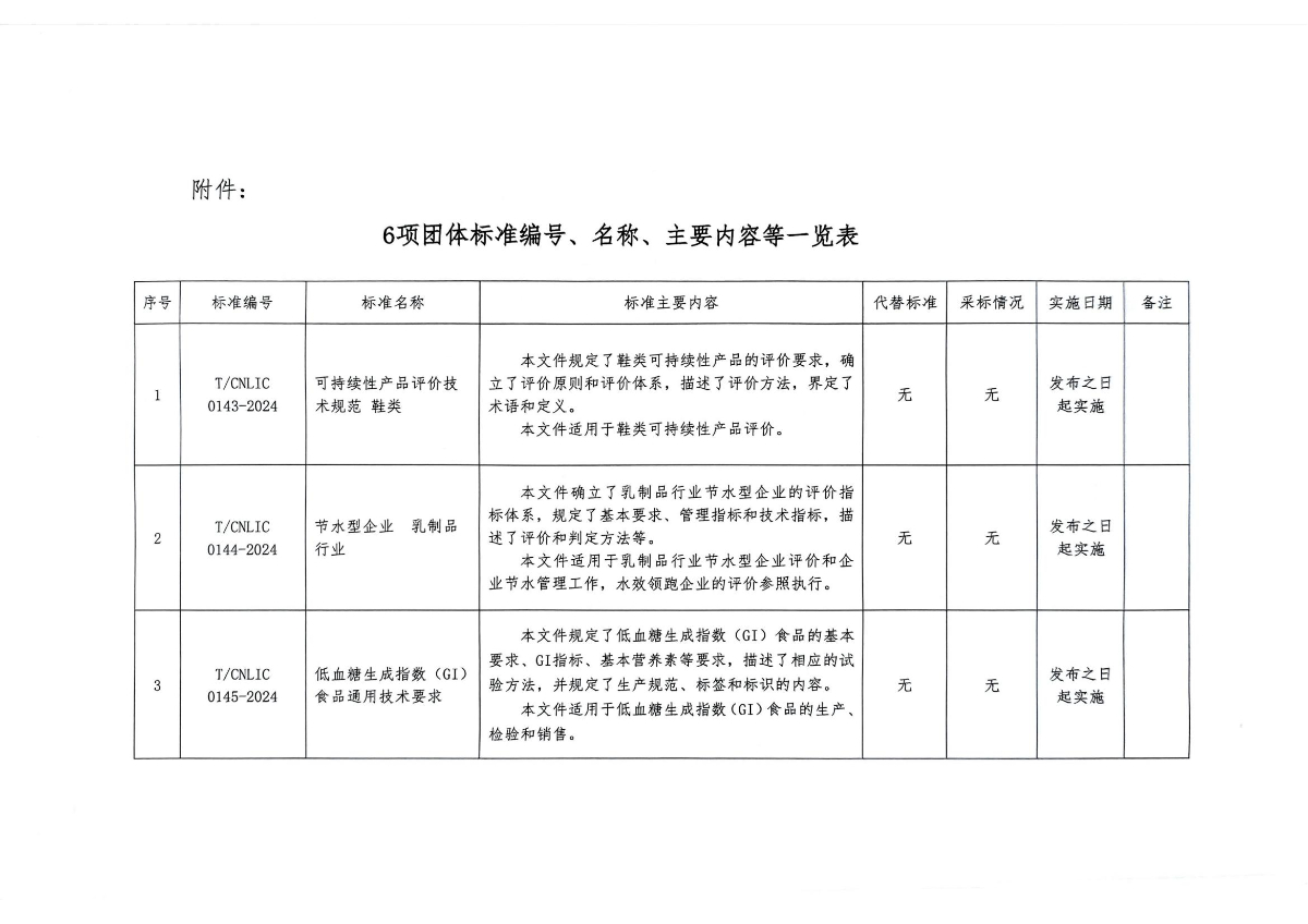
关于批准发布《可持续性产品评价技术规范 鞋类 》等6项团体标准的公告
2024-07-02 来源:
[打印本稿]
[字号
大
中
小
]
附件下载:
1、
关于批准发布《可持续性产品评价技术规范 鞋类》等6项团体标准的公告
1946bv1946伟德手机版
BETVLCTOR伟德中文网站